ŠINA S14
ŠINA S14
|
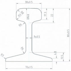
Oznaka šine |
Težina |
Visina |
Osnova |
Glava |
Debljina |
|
S14 |
14,00 |
80,00 |
70,00 |
38,00 |
9,00 |
|
Poprečni presek[cm2] |
Moment |
Modul preseka[cm3] |
|||
|
17,83 |
154,00 |
36,90 |

|
Oznaka šine |
Težina |
Visina |
Osnova |
Glava |
Debljina |
|
S14 |
14,00 |
80,00 |
70,00 |
38,00 |
9,00 |
|
Poprečni presek[cm2] |
Moment |
Modul preseka[cm3] |
|||
|
17,83 |
154,00 |
36,90 |
